会社案内
業務案内
採用案内
お問合せ
トップページ
会社案内
業務案内
設計業務部門
地質・土質調査・さく井工事部門
測量・調査部門
表彰部門
採用案内
社員のメッセージ
新卒採用
お問合せ
個人情報の取り扱いについて
業務案内
設計業務部門
地質・土質調査・さく井工事部門
測量・調査部門
表彰部門
設計業務部門
業務内容
河川・砂防部門の設計
道路及び付帯構造物の設計
各種橋梁設計
公園緑地設計
上下水道設計
各種構造物設計
橋梁一般図
渓流保全工橋梁付替え工
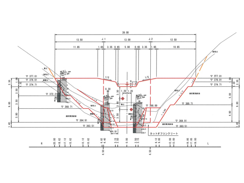
砂防堰堤構造図
砂防えん堤工
急傾斜地崩壊対策
急傾斜地崩壊対策工
盛土地盤改良
道路新設改良盛土・箱型函渠工
のり面災害復旧工
道路防災法面保護工
河川改良取水堰工
河川修繕排水樋管工